Krajina dodania: SK
Pri objednávke nad 100 € doprava zadarmo, platí len pre Slovensko.
Krajina dodania: SK

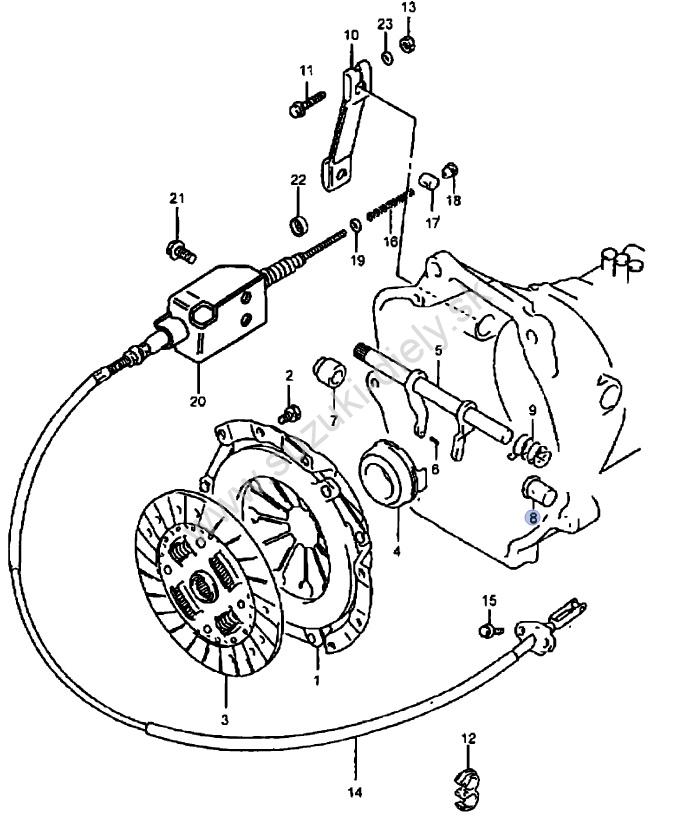
Púzdro hriadeľa vypínania spojky SUZUKI

Kód produktu: 23264-60A20 Kategórie: , Váha:0.361 kg

6.97 

Skladom 2 ks

Produkty, ktoré dodávame, by sa mali používať iba na určený účel. Montážne práce môže vykonávať iba vyškolený a kvalifikovaný personál. Produkty sa zvyčajne dodávajú bez montážneho návodu.

Máte otázku? Kontaktujte nás emailom.

Informovať od 8-9h a 13-14h

Kod: 23264-60A20

od: Suzuki originalny diel

Shaft Clutch release

Púzdro hriadeľa vypínania spojky Vitara I 1.6 1988-1998

Diel zabezpečuje hladký chod spojky

 

Hmotnosť 0.361 kg

Súvisiace produkty

Skladom 1 ks

kód: 804262 / PRB07 VALEO

Skladom 1 ks

kód: 23266-60A00 / 23266-85C00-00

Nákupný košík