33230 FAE
MD82069 meat doria
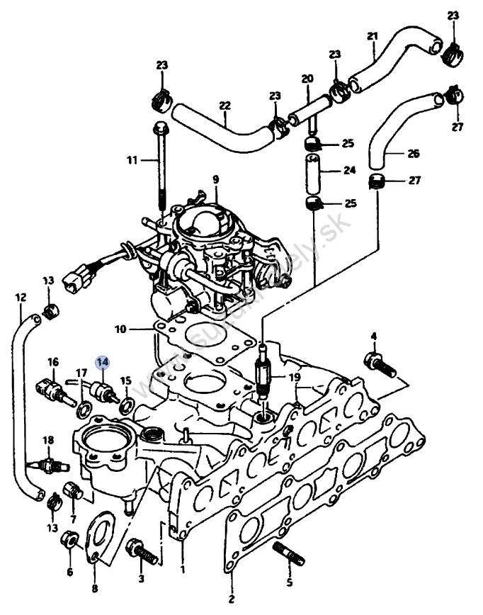
Snímač teploty nasávaného vzduchu Samurai / Vitara / Alto
oe: 13650-56B00
1365056B00
Závit [mm] M 12×1,5
rozmer kľuča 19
počet konektorov 2
SUZUKI VITARA (ET, TA) 1.6 4×4 (TA, TA01) 59 KW 1589 CCM 80PS 1988/07->1998/03
SUZUKI SAMURAI (SJ) 1.3 4×4 (SJ 413) 51 KW 1298 CCM 70PS 1988/11->2004/12
SUZUKI SAMURAI (SJ) 1.3 4×4 (SJ 413) 44 KW 1324 CCM 60PS 1988/11->2004/12
SUZUKI SAMURAI (SJ) 1.3 (SJ 413) 47 KW 1324 CCM 64PS 1988/11->2004/12
SUZUKI SAMURAI (SJ) 1.3 4×4 59 KW 1298 CCM 80PS 2000/01->2004/12
SUZUKI SJ 413 1.3 44 KW 1324 CCM 60PS 1986/08->1990/08
SUZUKI ALTO III (EF) 1.0 39 KW 993 CCM 53PS 1994/09->2002/06
SUZUKI VITARA Cabrio (ET, TA) 1.6 59 KW 1589 CCM 80PS 1988/07->1995/01

